1
/
of
6
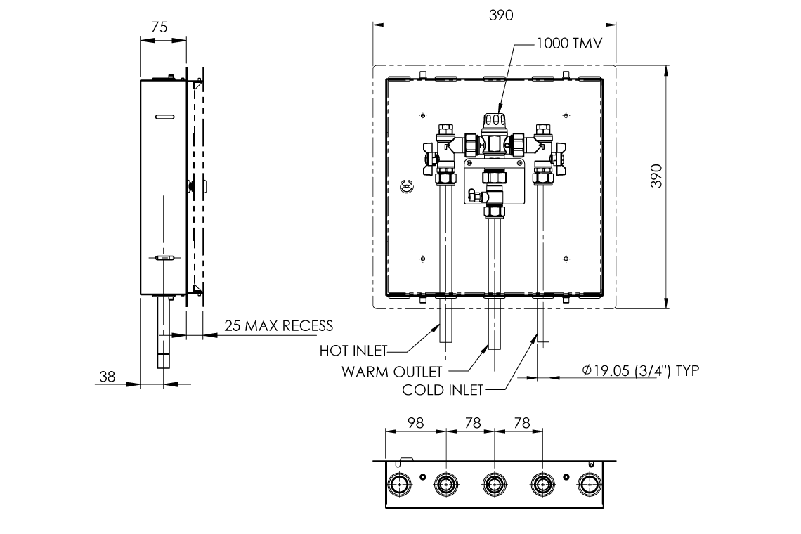
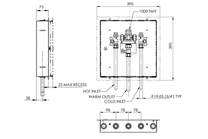
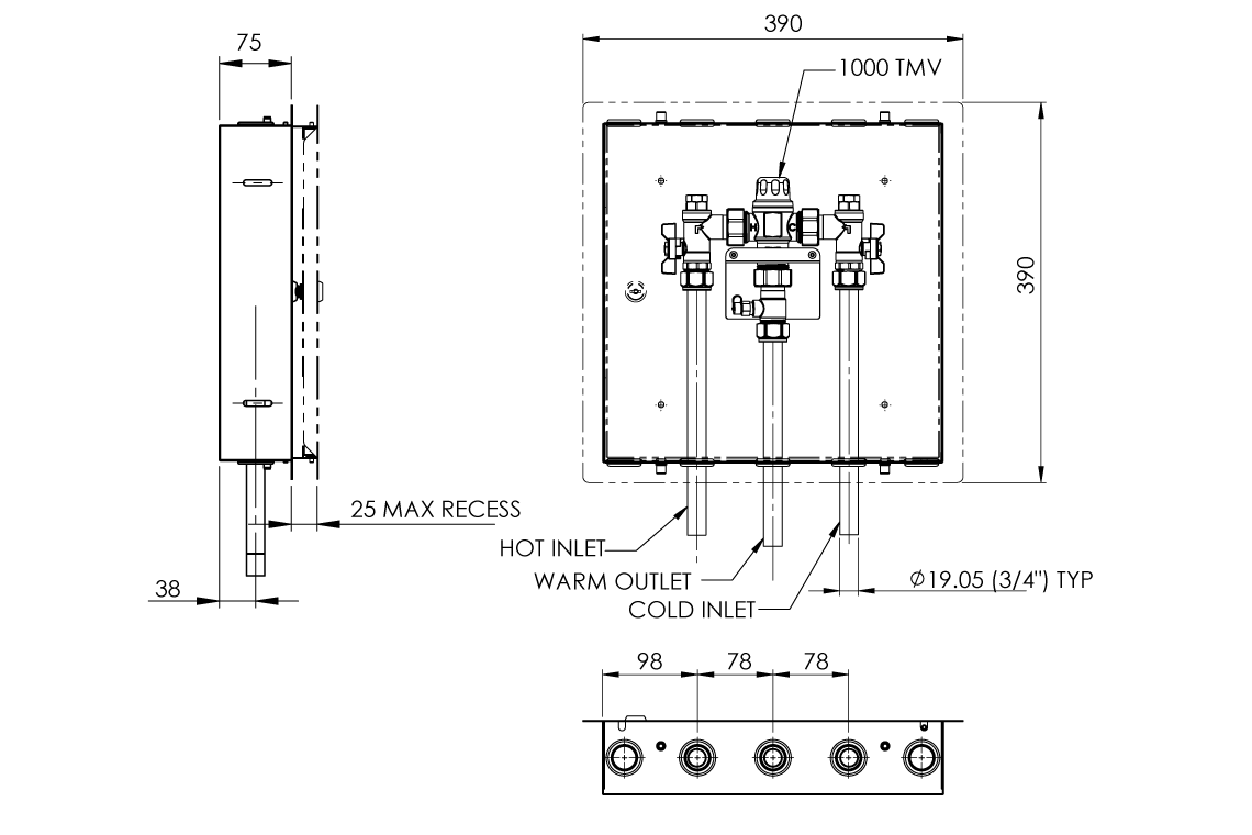
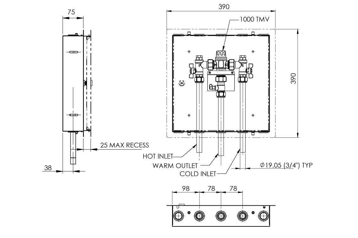
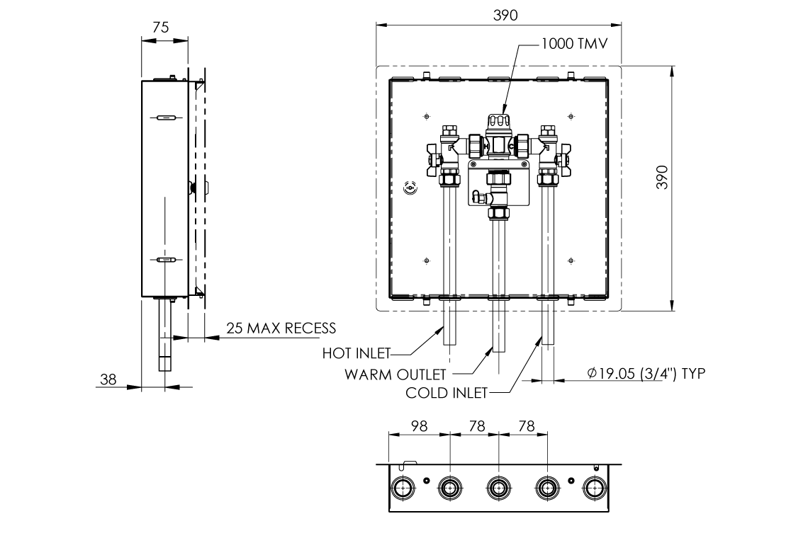
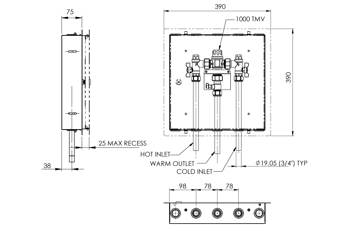
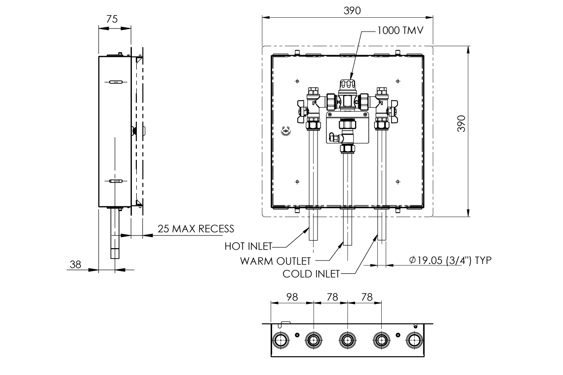
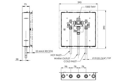
Aquablend 1000 Thermostatic Mixing Valve - 350x350 SS cabinet - HW/CW/WW Pipes at Bottom
Aquablend 1000 Thermostatic Mixing Valve - 350x350 SS cabinet - HW/CW/WW Pipes at Bottom
Product Code: ATMS710H-350
Couldn't load pickup availability
Product description
Aquablend 1000 Thermostatic Mixing Valve Pre-Plumbed in Stainless Steel Wall Cabinet for recess or exposed positions. The proven performance, reliability and low ‘whole of life’ cost makes Aquablend a popular choice with specifiers, engineers, plumbers and property owners. Suitable for health and general commercial applications.
Key Selling Points
- Manufactured from Lead Free brass components -including pipe fittings.
- Scald and thermal shock protection with rapid thermal shut-off should either the cold or hot water supply fail.
- Highly responsive temperature control, maintaining outlet temperature within +/- 2?C under changing inlet temperature and pressure conditions
- Delivers high flow at low pressure loss
- Supplied complete with isolating valves, non-return valves and dual stage strainers incorporating temperature/ pressure test ports
- Pipework is designed to reduce flow restrictions and minimise bacterial capture points to reduce the risk of bacterial contamination
- Flexible installation - can be upside down or sideways, inlet and outlet connections may be rotated to suit pipework design
- A range of additional Stainless Steel lids are available for this model:
- ATMSXP-350 - Exposed Lid
- ATMSSEC-350 - Secure/Heavy Duty Lid
- Standards licensed to AS4032.1 - Thermostatic Mixing Valves
- Certifications
- WMKA25301_AS4032.1_LF,Lead Free
- Minimum Cold Temperature Supply (Deg C)
- 5
- Maximum Cold Temperature Supply (Deg C)
- 30
- Minimum Hot Temperature Supply (Deg C)
- 55
- Maximum Hot Temperature Supply (Deg C)
- 90
- Minimum Thermostatic Temperature (Deg C)
- 38
- Maximum Thermostatic Temperature (Deg C)
- 50
- Maximum Flow Rate (L/min@200kPa pressure loss)
- 39
- Minimum Flow Rate for Stable Outlet Temperature (L/min)
- 4
- Minimum Flow Rate (L/min)
- 2
- Maximum Flow Rate (L/min)
- 45
- Inlet Connection
- 20mm(Nom.) OD Copper tails
- Outlet Connection
- 20mm(Nom.) OD Copper tails
- Finish
- Brushed
- Valve Type
- TMV
BIM Files
Brochures
Dimensional Drawings
Product Information





