1
/
of
6
Aquablend Restore Thermostatic Sequential Wall Mixer - Back-of-Wall Assembly
Aquablend Restore Thermostatic Sequential Wall Mixer - Back-of-Wall Assembly
Product Code: ATMHE608RH-BOW
Couldn't load pickup availability
Product description
Enware's Restore SQ range of Mental Health Secure Ensuite basin and shower mixers help to normalise the bathroom environment while providing safe, secure and comforting experiences. Supplied as Front-of-Wall and Back-of-Wall Assemblies.
Key Selling Points
- Thermostatic POU hybrid mixer with warm and cold water supply for adjacent ensuite fixtures
- Designed to promote good water health with sequential style mixing always closing through the cold position
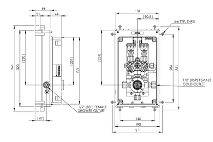
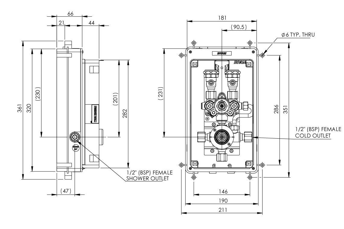
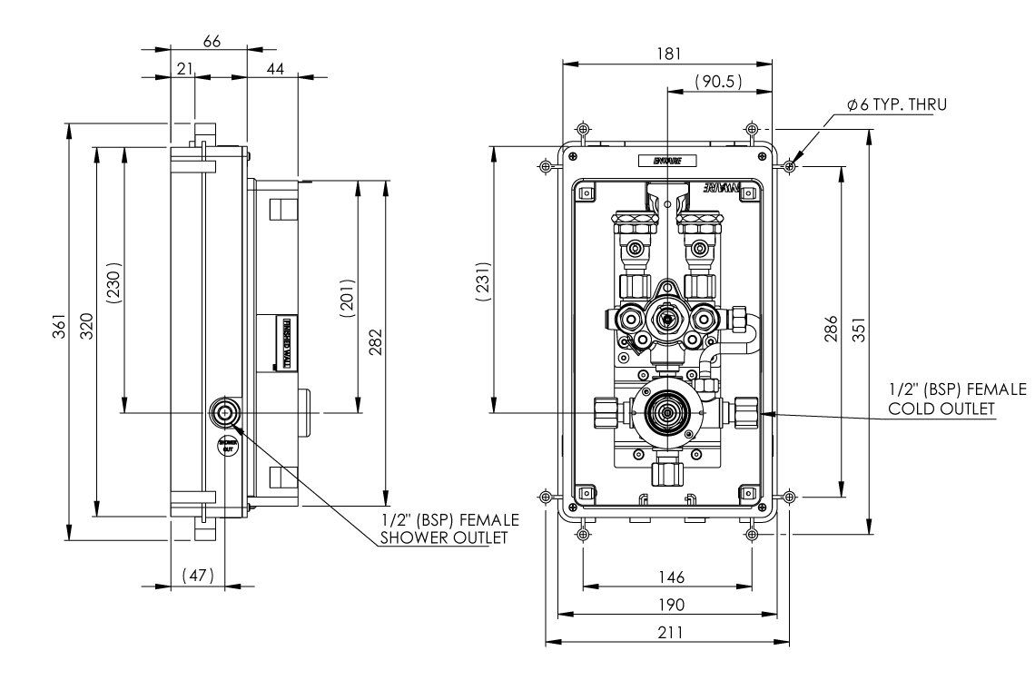
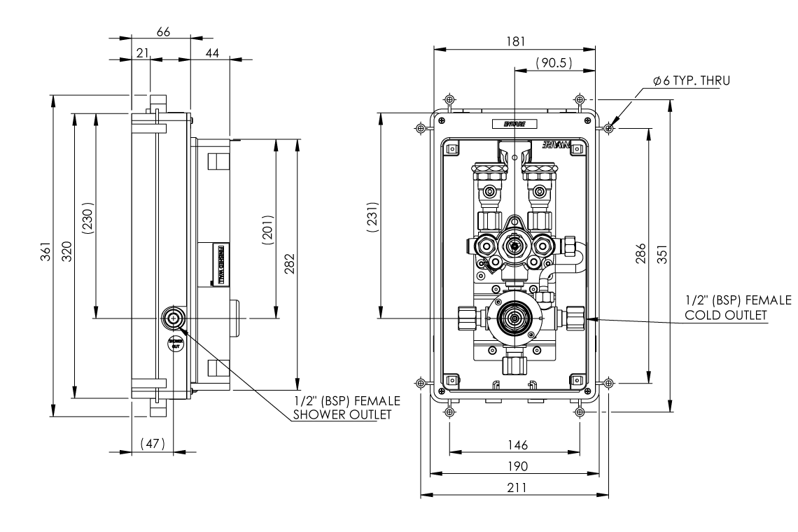
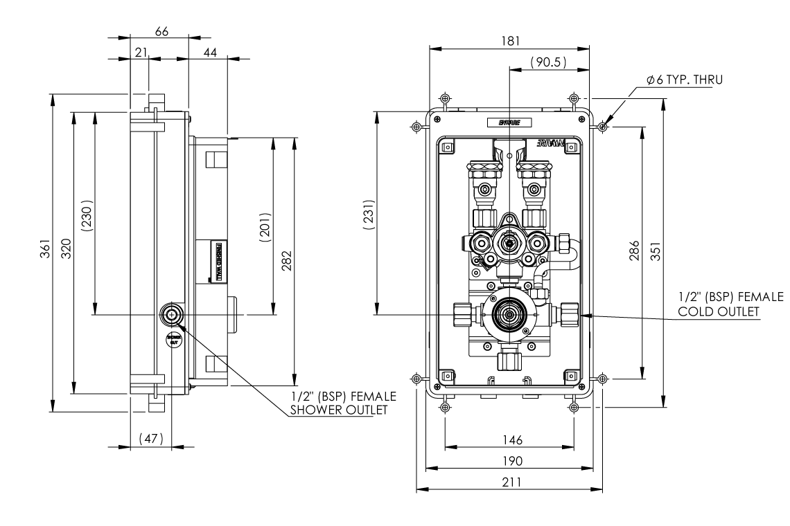
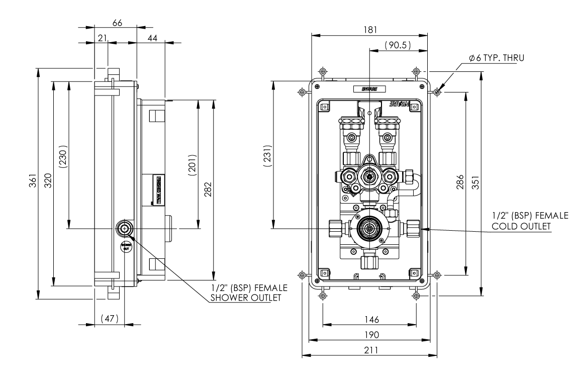
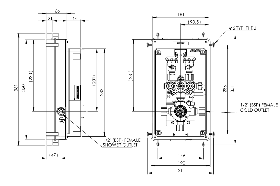
- Lead-Free Brass Mixer is easy to install in its in-wall installation box with variable depth adjustment
- Front of wall surround can be permanently fixed and sealed to wall. Access for maintenance is made through secure removeable fascia, avoiding wall damage or breaching of wall seal.
- Normalized shower mixer design to assist rehabilitation with easy to clean bright chrome finish
- Patient safety at the heart of the design with anti-ligature handle tested to TS001:2013 (Grade A4)
- Robust design for challenging environments with IK10 impact tested front-of-wall construction
- Low profile ergonomic handle for easy temperature adjustment and water control
- Supplied as Front of Wall (ATMRHSQ-FOW) and Back of Wall (ATMHE608RH-BOW) assemblies for easy installation
- Certifications
- WMKA1583 - LF,Lead Free
- Minimum Cold Temperature Supply (Deg C)
- 5
- Maximum Cold Temperature Supply (Deg C)
- 30
- Minimum Hot Temperature Supply (Deg C)
- 55
- Maximum Hot Temperature Supply (Deg C)
- 90
- Minimum Thermostatic Temperature (Deg C)
- 35
- Maximum Thermostatic Temperature (Deg C)
- 48
- Minimum Flow Rate (L/min)
- 4
- Maximum Flow Rate (L/min@300kPa pressure loss)
- 23
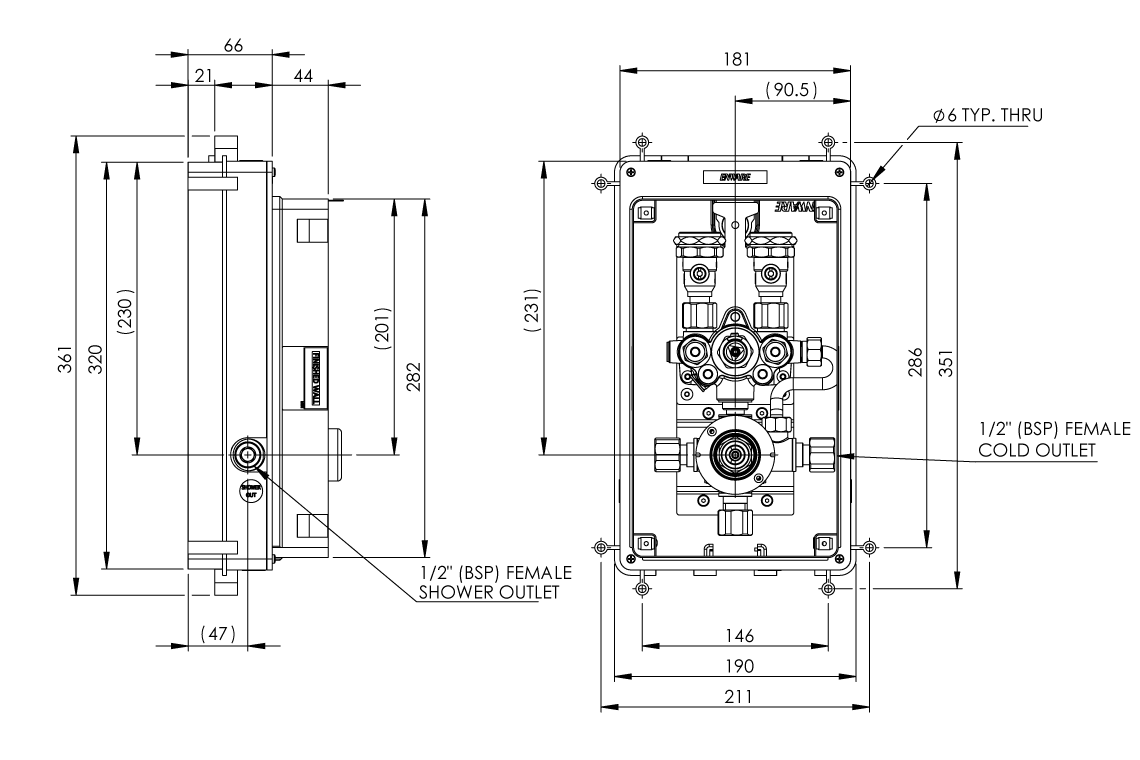
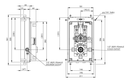
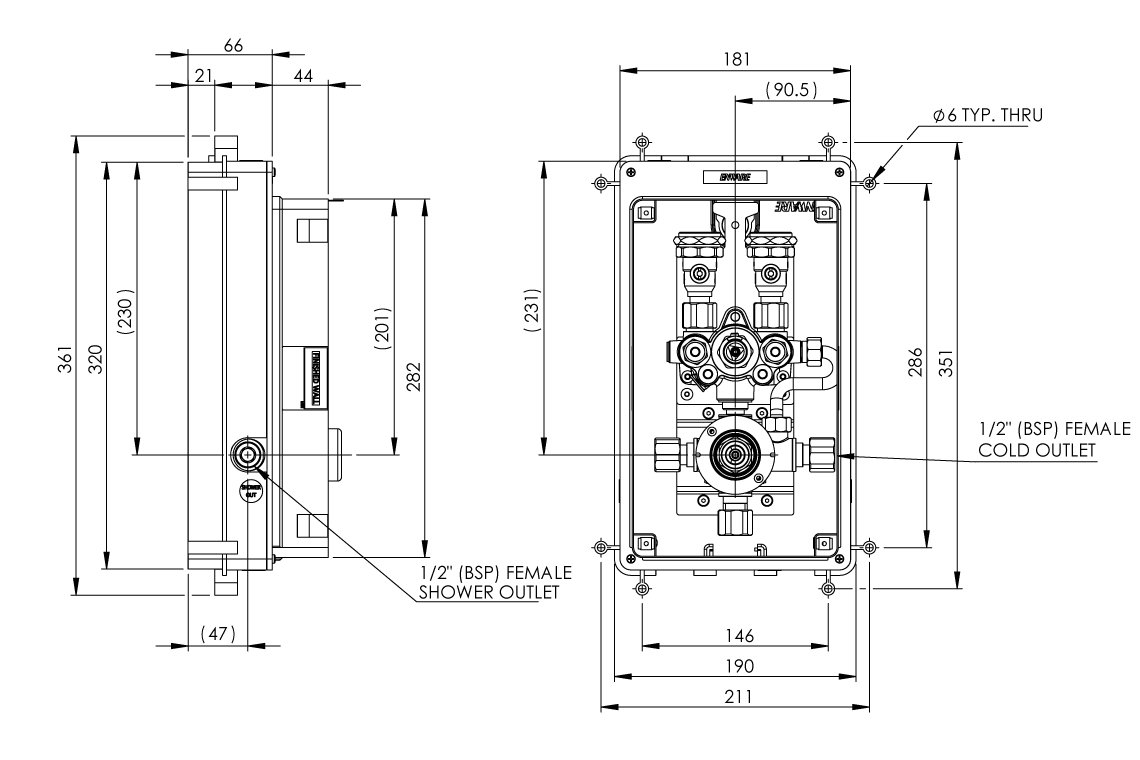
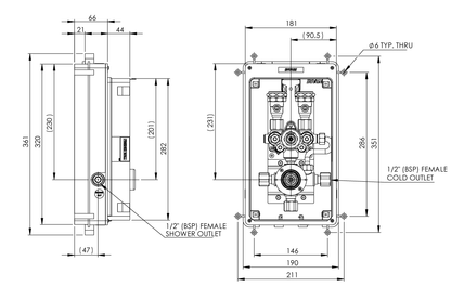
- Inlet Connection
- 20mm (3/4” BSP) FI
- Outlet Connection
- 15mm (1/2” BSP) FI
- Facia Plate Material Grade
- Stainless Steel
BIM Files
Brochures
Dimensional Drawings
Product Information





