1
/
of
5
ComLab 2 Way Straight Needle Valve - Dry Media - AIR/ CO2/ HE/ AR/ N2
ComLab 2 Way Straight Needle Valve - Dry Media - AIR/ CO2/ HE/ AR/ N2
Product Code: LCN143NDRY
Couldn't load pickup availability
Product description
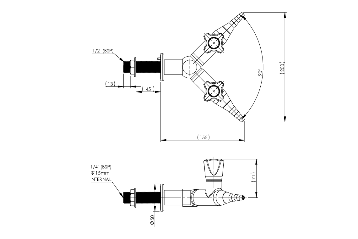
Enware Commercial Laboratory outlets are supplied with a tapered tube nozzle. The durable powder coat finish gives significant protection against corrosion, discolouration and surface damage. Colour coded metal handles are ergonomically designed for precise feel and fingertip control. Service identification indicators are supplied for compatible dry service types.
Key Selling Points
- Suited for dry media up to technical gas level 4.0 and higher upon request
- Chemically and ultrasonically cleaned
- Straight outlet suitable for wall mounting
- Teflon needle valve with stainless steel seat
- Durable white epoxy powder coat finish with coloured metal handles
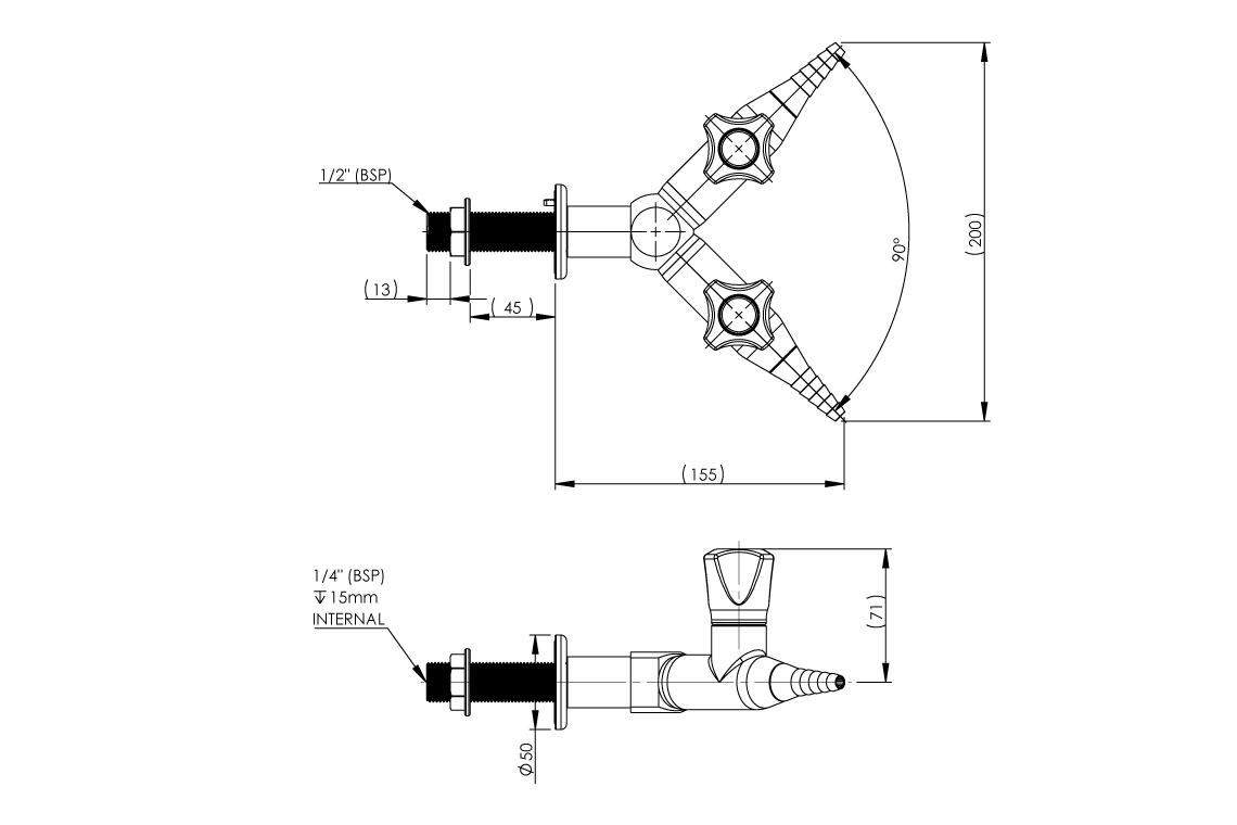
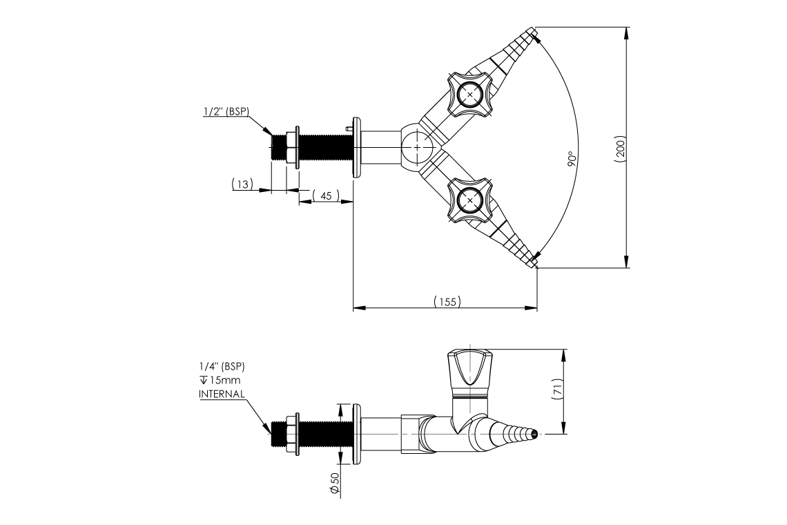
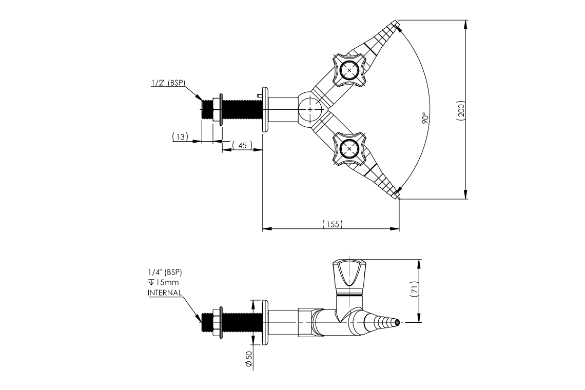
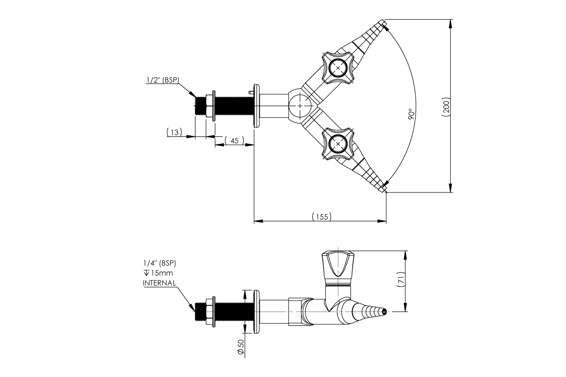
- 1/2" BSP FI inlet with loose 1/2” BSP male inlet tail with 1/4” BSP female thread connection
- Tube nozzle outlet. 3/8" BSP FI when removed
- Blue handle and indicator button identification to DIN EN13792
- Indicator buttons for compatible media included
- Compatible media: Compressed Air, Carbon Dioxide, Helium, Argon, Nitrogen
- Inlet Connection
- 1/2” BSP Male, 1/4” BSP Female
- Outlet Connection
- Tube Nozzle, 3/8” BSP Female (without nozzle)
- Finish
- Powder Coating
- Valve Type
- Needle Valve
- Mounting Type
- 2-Way Straight 90 Degree Wall Mounted
- Mounting Notes
- Suitable for wall mounting
BIM Files
Brochures
Dimensional Drawings
Product Information



