1
/
of
2
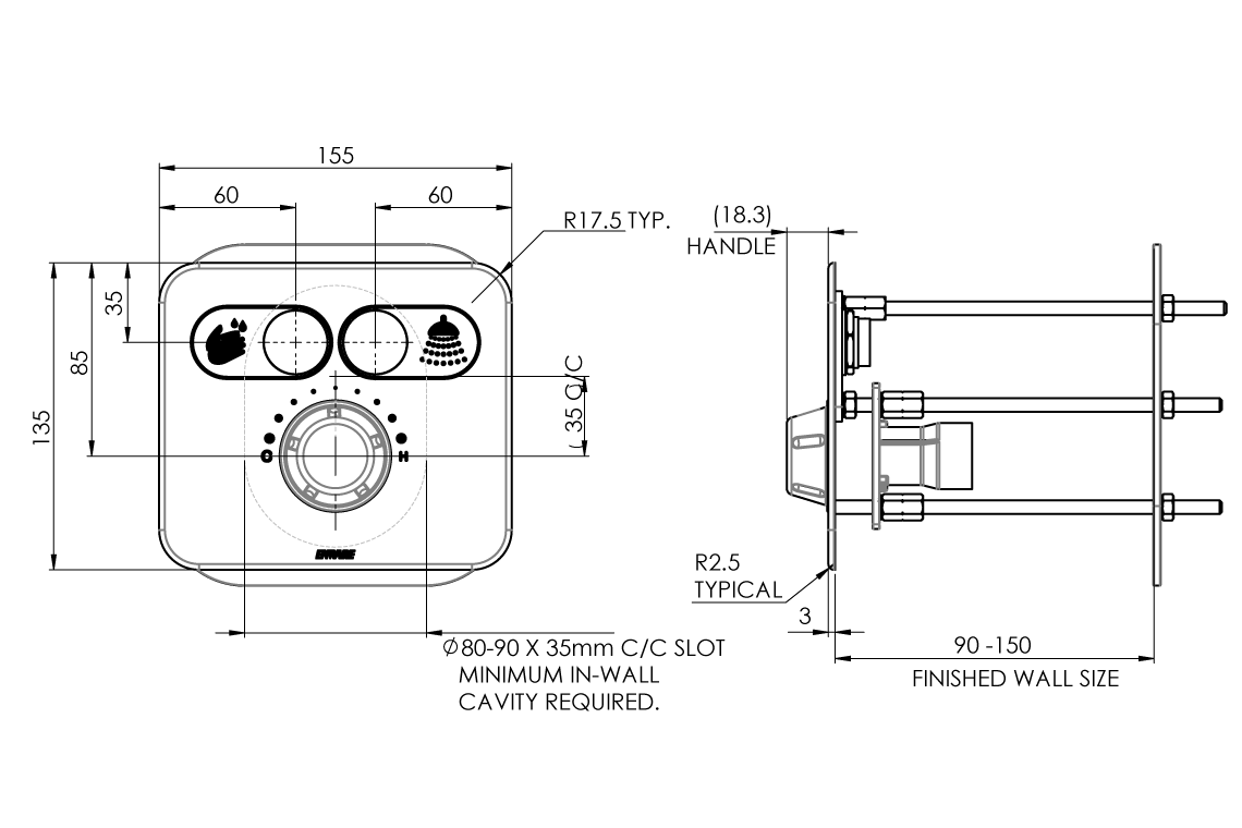
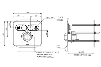
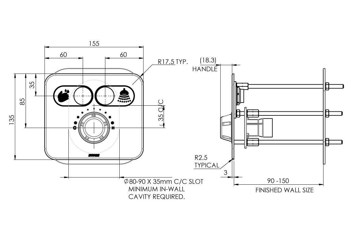
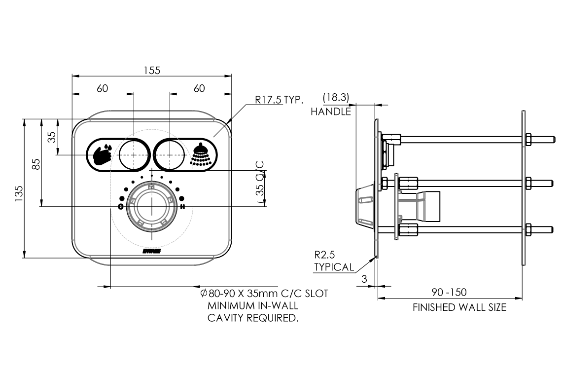
Custodian: 2-Button Basin or Shower Control Panel
Custodian: 2-Button Basin or Shower Control Panel
Product Code: CN2BSHMIX-RF
Couldn't load pickup availability
Product description
Providing Safety and Security With Enhanced Comfort and Care. The Custodian offers individual control and enhanced comfort while maintaining maximum safety and security. The Custodian Range is the complete secure bathroom solution designed to improve the rehabilitative process.
Key Selling Points
- Smooth and attractive design with pictogram etchings
- Robust and secure, impact resistant, designed to exceed IK10 requirements
- Exceeds Anti-Ligature requirements of TS001:2013 *
- Suitable for a wide variety of construction methods, designed to reduce installation time and improve space efficiency in duct risers
- Easy to install with IP68 Rated cable connections
- Light feedback provides run time indication every minute for showering as well as flow ending indication
- The Control Panel is connected to the Smartboard and the Smartflow Management system, providing real-time monitoring and setting of run-times, lockouts, hygiene flushing and temperature settings. System reporting of all functions is provided through the Smartflow Water Management system.
- Operating Voltage (V)
- 12
- IP Rating
- IP 68
- IP Rating - Piezo Button
- IP 68, IK10
BIM Files
Brochures
Dimensional Drawings
Product Information



