1
/
of
2
Custodian: WC Flush Valve Assembly - 20mm 12 VDC
Custodian: WC Flush Valve Assembly - 20mm 12 VDC
Product Code: WMS8312
Couldn't load pickup availability
Product description
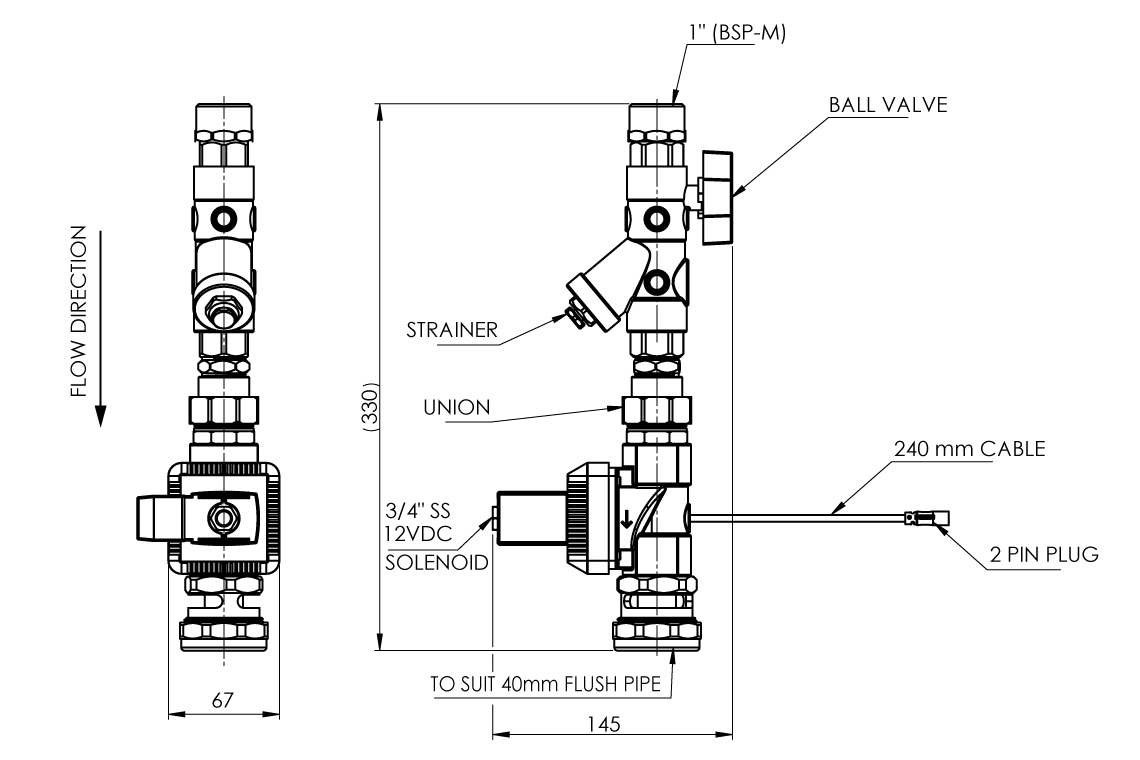
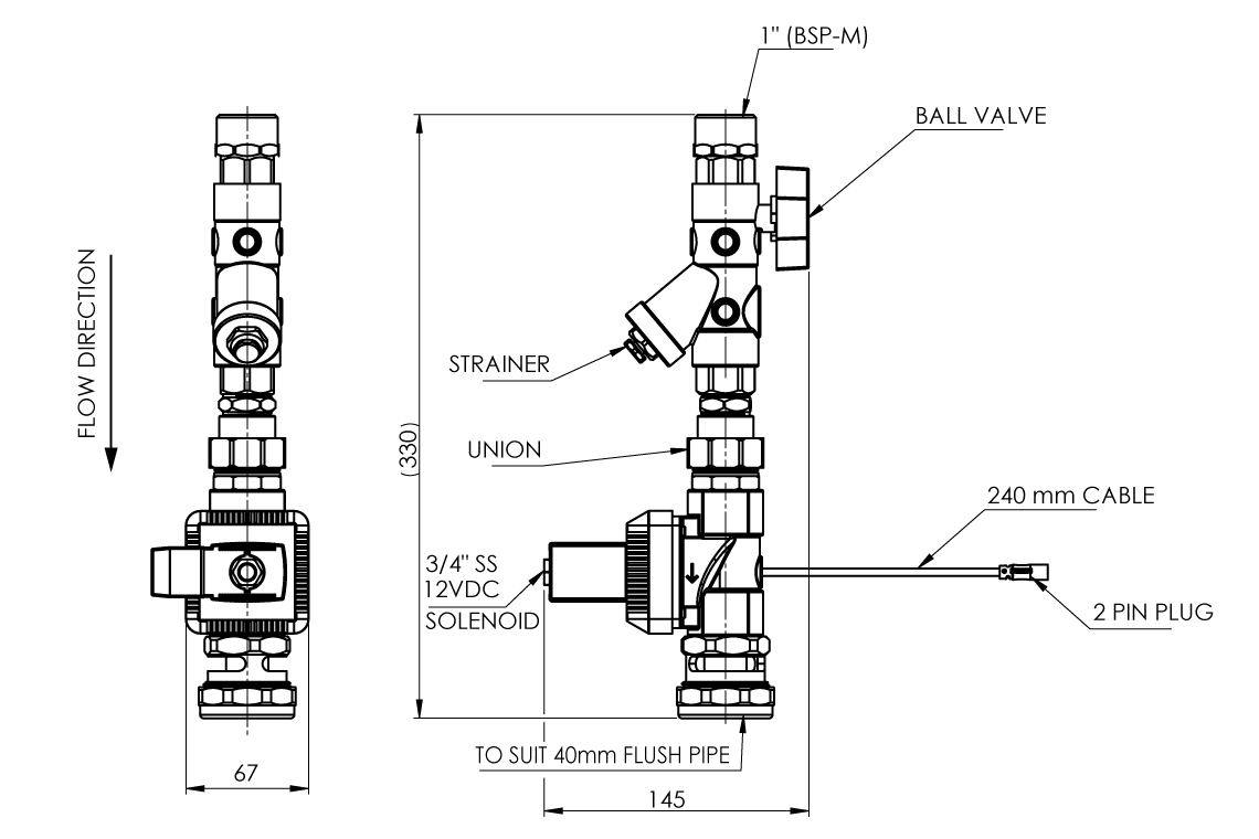
Enware Custodian WC Dual Flush Solenoid for Smart Flow WMS. Piezo operated Stainless Steel 12V Solenoid includes airbreak, isolation, in-line filter, 25mm inlet connection and WMS8312-Cable 240mm adaptor cable for use with Custodian Smart Boards. For use with Custodian piezo operated flush panels. Note: Must be used in conjunction with a Custodian Smartboard
Key Selling Points
- 12V DC
- Stainless steel solenoid
- Isolation with integrated in-line filter
- Suitable for Custodian Water Management Systems
- Standard WELS (Stars)
- 3
- Standard WELS Flow Rate (L/min)
- 4
- WELS Category
- Urinal
- Certifications
- WM 40116
- Inlet Connection
- 1" BSP
- Outlet Connection
- 1 1/2" BSP
- Water Supply Line Size
- 1" [25mm] copper pipe
- Flush Pipe
- 1½” (40mm) flush pipe is required below the air break. (Note: use a maximum of 1x 90º bend in flush pipe. If an offset is required, 2 x 45º bends must be used. Maximum of 1 offset per flush pipe. Air break must be installed in a vertical position at 700mm +/- 100 mm above the pan inlet.
- Kv Factor (m3/h)
- 8.3
- Operating Voltage (V)
- 12
- Operating Voltage (AC/DC)
- DC
BIM Files
Brochures
Dimensional Drawings
Product Information
