1
/
of
3
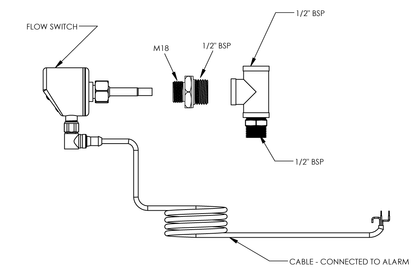
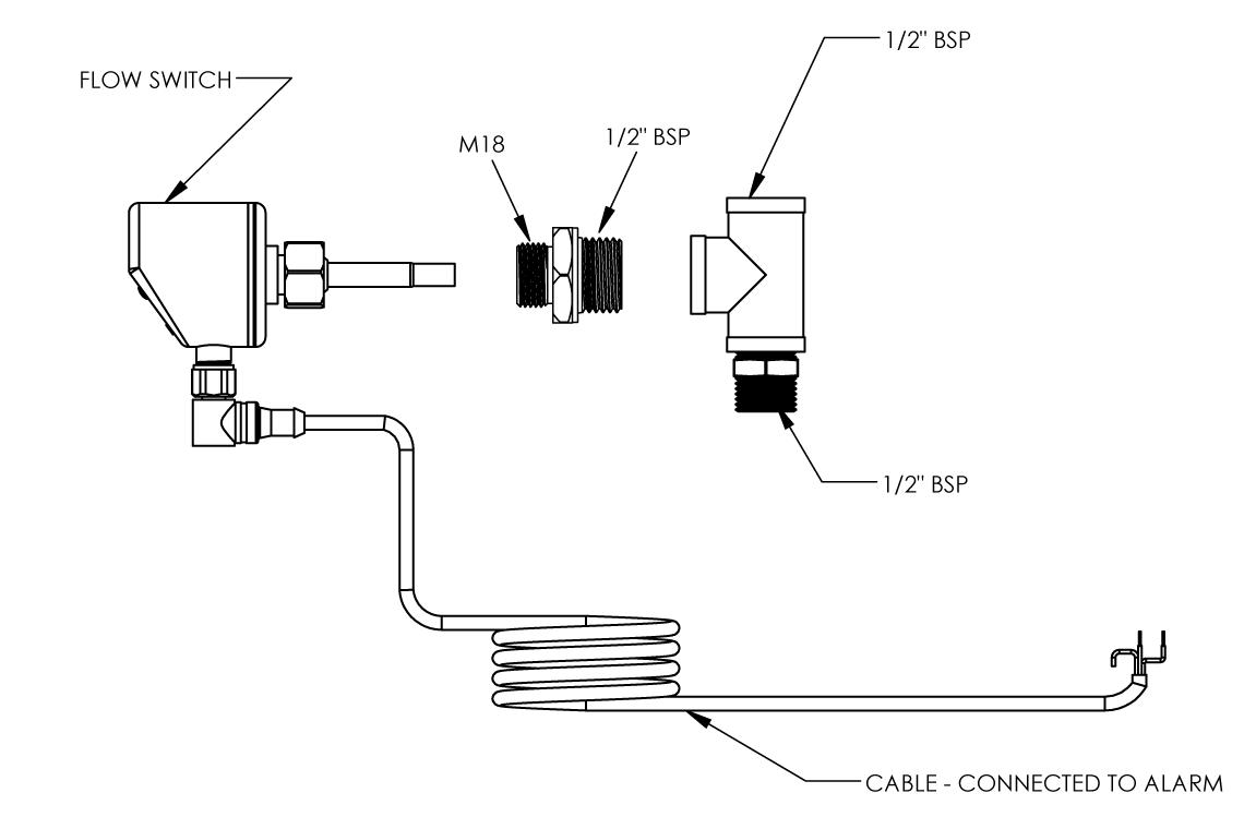
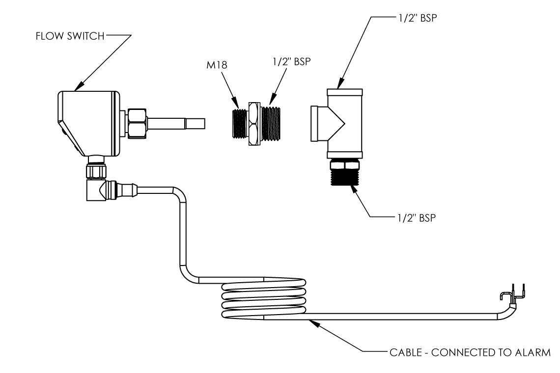
Flow Switch Adjustable Stainless Steel 316 1/2" for Eye/ Eye Face Wash
Flow Switch Adjustable Stainless Steel 316 1/2" for Eye/ Eye Face Wash
Product Code: EAA995
Couldn't load pickup availability
Product description
FLOWSWITCH ADJUSTABLE SS 316 EYE/FACE
Key Selling Points
- 24V system
- Electronic inline flow sensor
- Capability to pre-set flow rate required on site
- Easy setting of the switch points for quick set-up
- Robust stainless steel housing for use in harsh industrial environments
- LED bar graph for indication of switch point and flow
BIM Files
Brochures
Dimensional Drawings
Product Information

