1
/
of
3
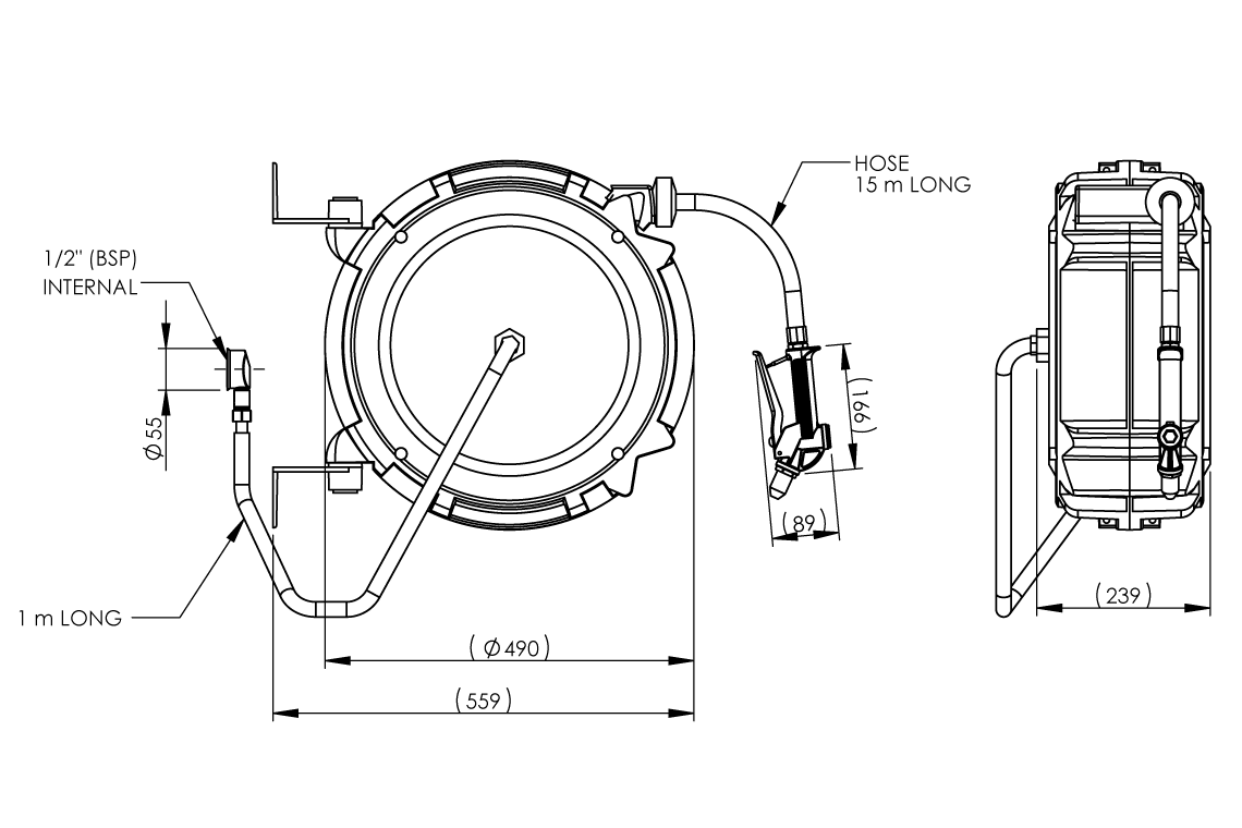
Hot/Cold Water Wash Down Hose Reel with Trigger Spray
Hot/Cold Water Wash Down Hose Reel with Trigger Spray
Product Code: FS724
Couldn't load pickup availability
Product description
Hot or cold wash down hose reel with food service trigger spray. Suitable for kitchens, food preparation and food manufacturing areas. 15m retractable hose with floor wash jet spray.
Key Selling Points
- Compact wall mounted design with swivel wall bracket.
- Easy to clean UV Stabilised Polypropylene case
- Heavy duty hot water rated hose (also suitable for cold water)
- Supplied with wall elbow with dual check valve and flexible braided connection hose
- FS731 Trigger Spray rated to 50°C
- Maximum Working Temperature (Deg C)
- 50
- Minimum Recommended Pressure (kPa)
- 200
- Maximum Recommended Pressure (kPa)
- 500
- Inlet Connection
- 1/2" BSP (15mm) FI
- Weight (kg)
- 12
BIM Files
Brochures
Dimensional Drawings
Product Information

