1
/
of
5
Plug and Play Alarm System with Combination Audio Visual and BMS Capability
Plug and Play Alarm System with Combination Audio Visual and BMS Capability
Product Code: EAA953PP-E
Couldn't load pickup availability
Product description
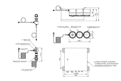
In an emergency situation, every second counts... a quick response is paramount when it comes to minimising the impact of a workplace injury. Those precious first few seconds really do count and installing an alarm system is a great way of making sure workmates and first aid personnel are immediately aware that an employee is injured and requires urgent assistance. The EAA953PP plug and play system means quick and easy installation to get your site ready, just in case an accident does occur.
Key Selling Points
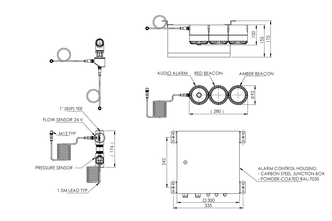
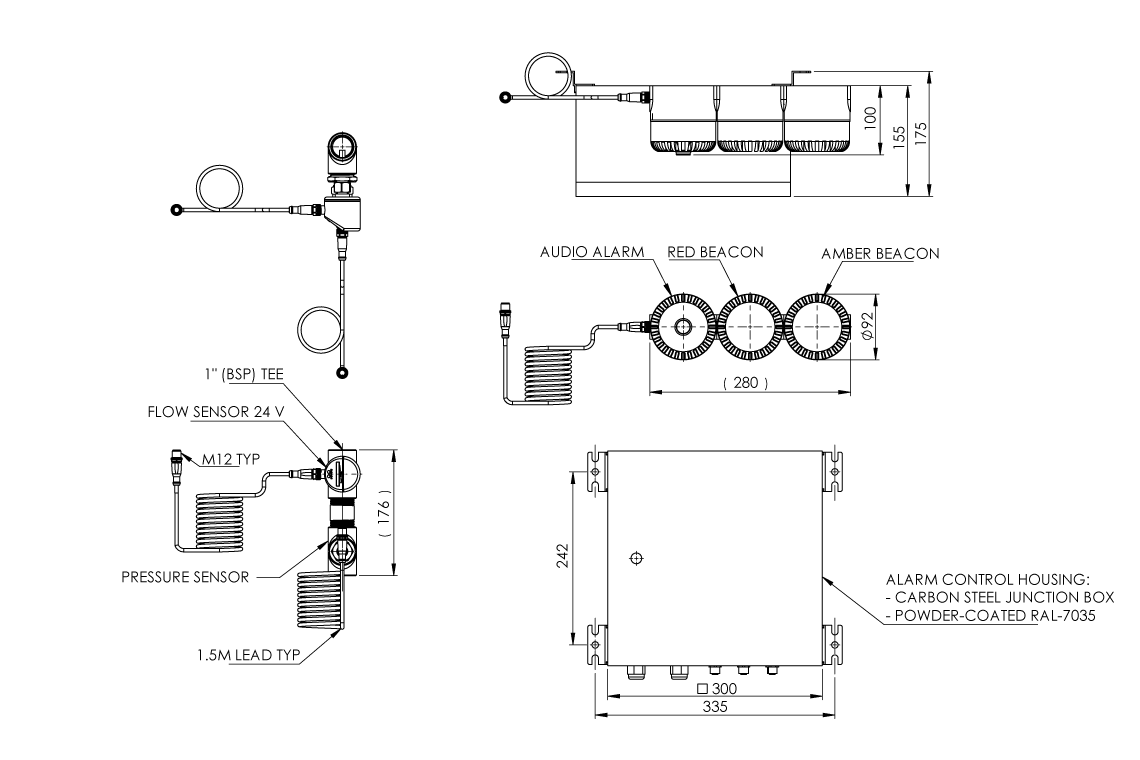
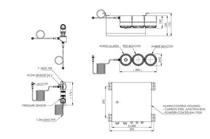
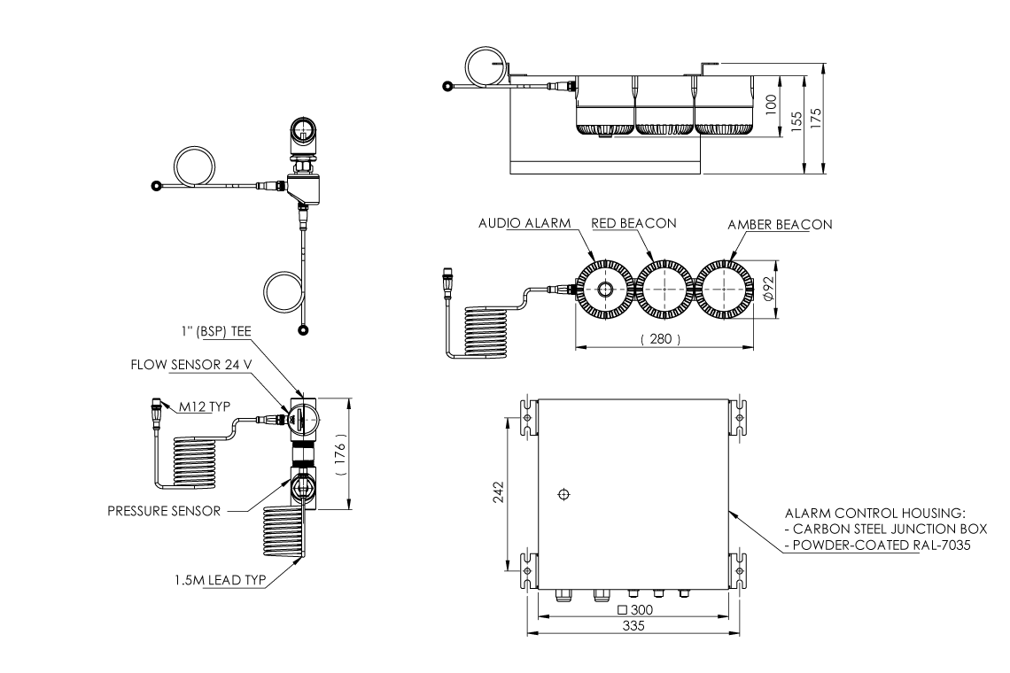
- 24V system
- Audio visual and BMS capability
- Suitable for installation in non-hazardous zones
- Alarm system can be retrofitted to existing shower and eye wash system
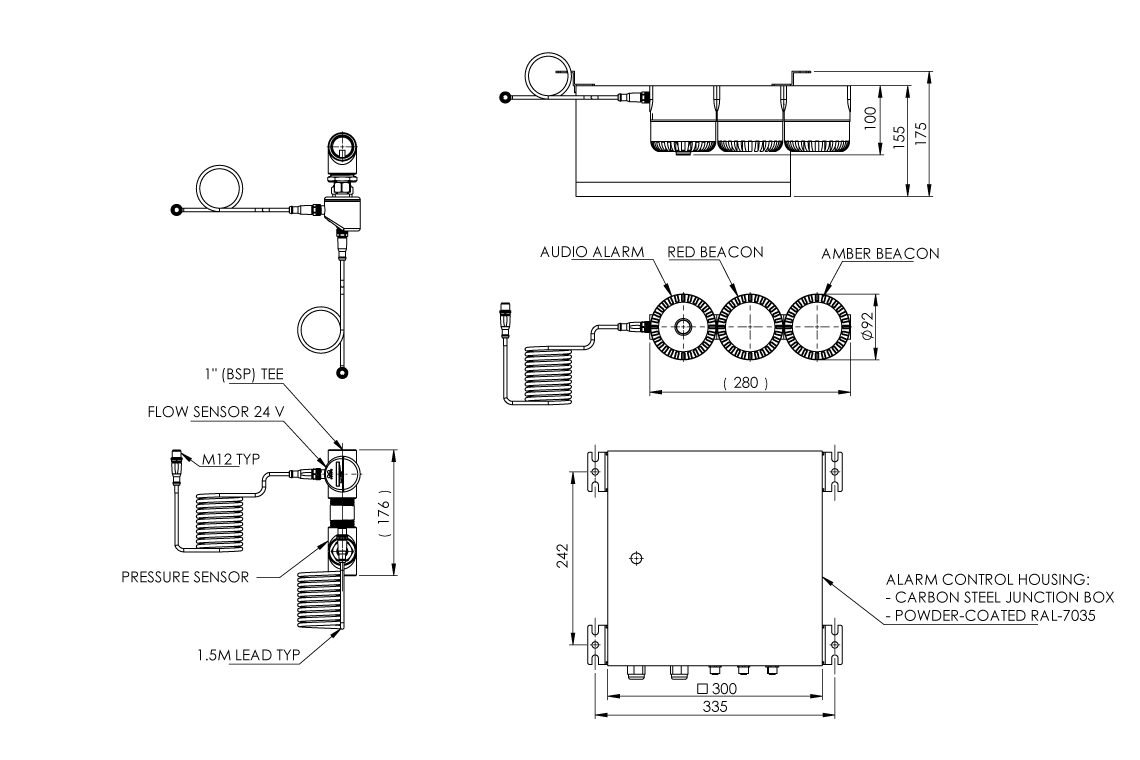
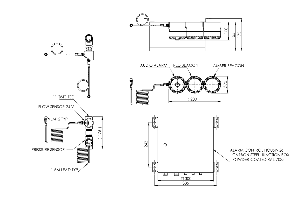
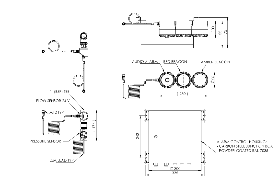
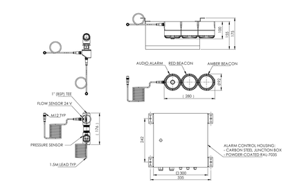
- Electronic inline flow sensor triggers the alarm, transmits signal to activate the red beacon, sounder and signal to the BMS
- Electronic inline pressure sensor triggers alarm, transmits signal to activate amber beacon, sounder and a signal to the BMS
BIM Files
Brochures
Dimensional Drawings
Product Information




