1
/
of
5
Restore Mental Health Wall Mixer - Back-of-Wall Assembly
Restore Mental Health Wall Mixer - Back-of-Wall Assembly
Product Code: RHMIXSQ-BOW
Couldn't load pickup availability
Product description
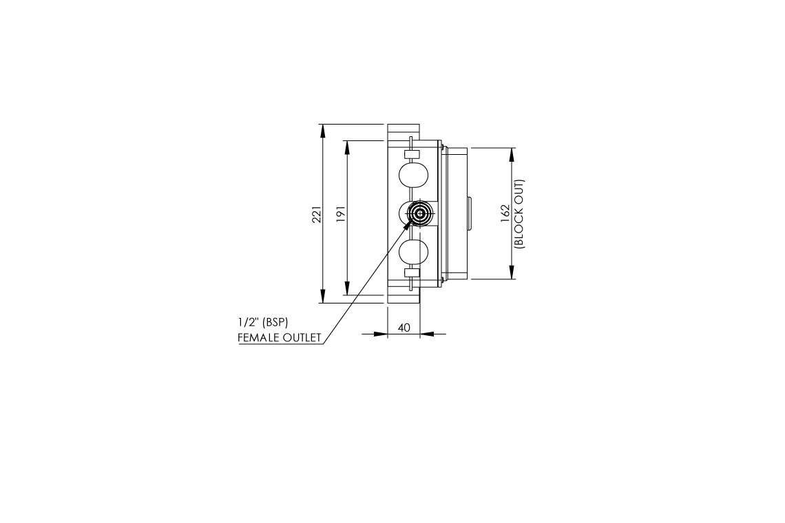
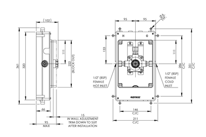
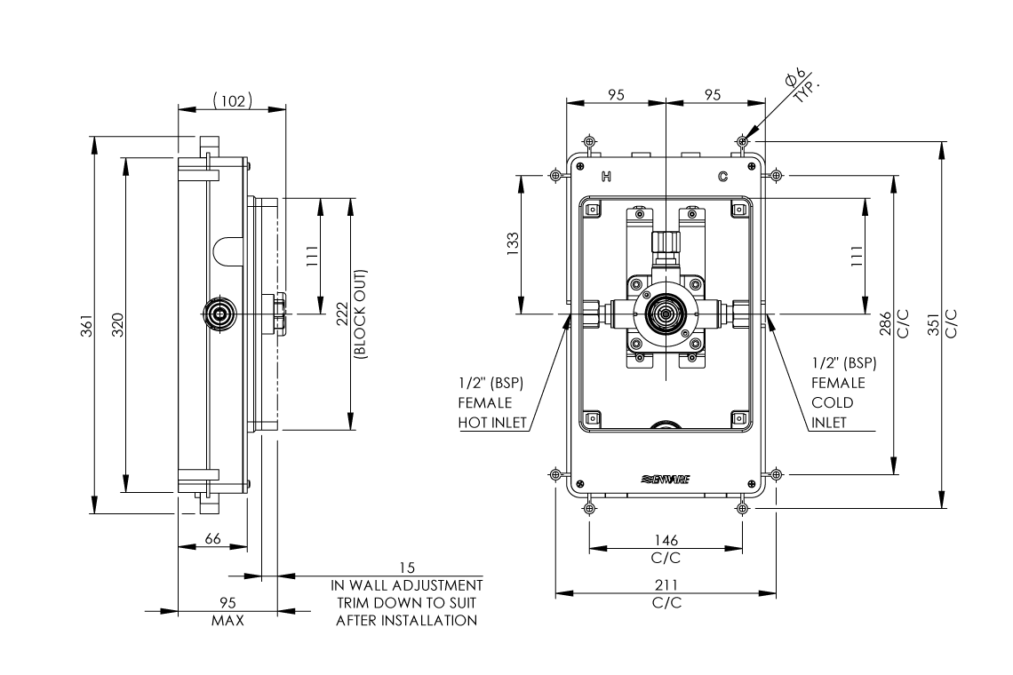
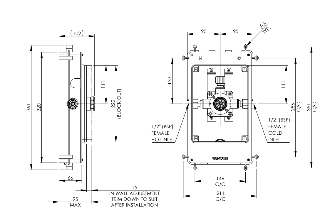
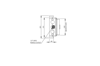
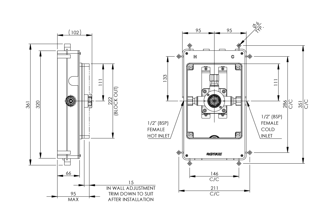
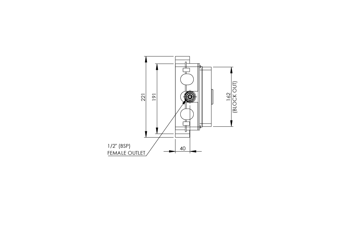
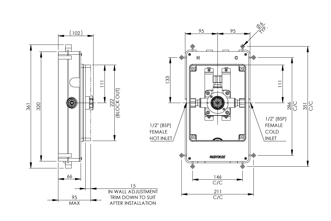
Enware's Restore range of Mental Health Secure Ensuite basin and shower mixers help to normalise the bathroom environment while providing safe, secure and comforting experiences. Supplied as Front-of-Wall and Back-of-Wall Assemblies.
Key Selling Points
- Designed to promote good water health with sequential style mixing always closing through the cold position
- New Lead-Free Brass Mixer is easy to install in its in-wall installation box with variable depth adjustment
- Normalized shower mixer design to assist rehabilitation with easy to clean bright chrome finish
- Patient safety at the heart of the design with anti-ligature handle tested to TS001:2013 (Grade A4)
- Robust design for challenging environments with IK10 impact tested front of wall construction
- Low profile ergonomic handle for easy temperature adjustment and water control
- Front of wall surround can be permanently fixed and sealed to wall. Access for maintenance is made through secure removeable fascia, avoiding wall damage or breaching of wall seal.
- Supplied as Front of Wall (FOW) and Back of Wall (BOW) assemblies for easy installation
- Certifications
- WMKA1583 - LF,Lead Free
- Maximum Working Temperature (Deg C)
- 70
- Maximum Static Pressure (kPa)
- 1000
- Minimum Recommended Pressure (kPa)
- 50
- Maximum Recommended Pressure (kPa)
- 500
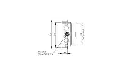
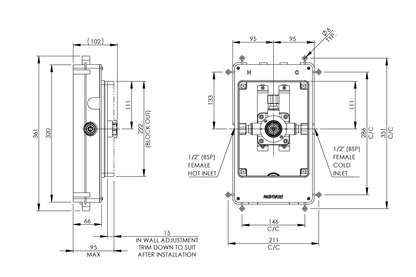
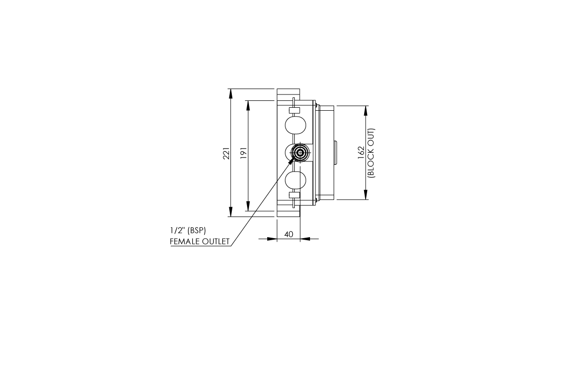
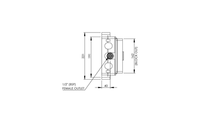
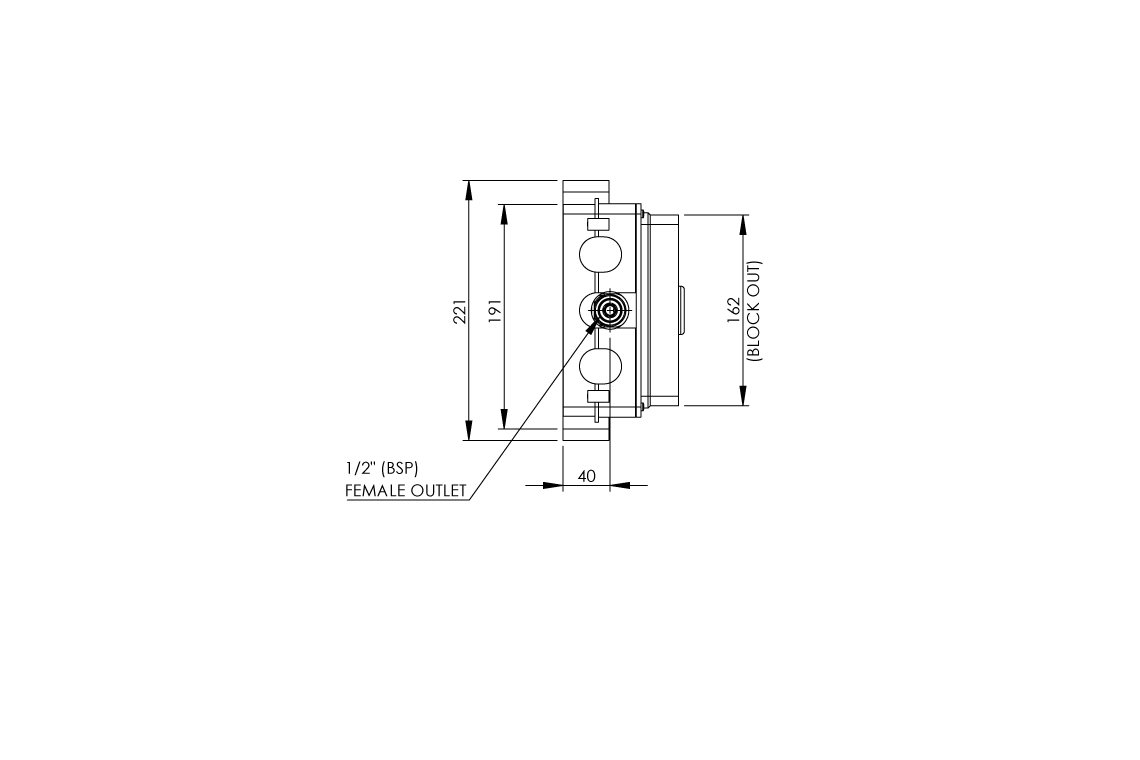
- Inlet Connection
- 1/2" BSP FI
- Outlet Connection
- 1/2" BSP FI
BIM Files
Brochures
Dimensional Drawings
Product Information


