1
/
of
6
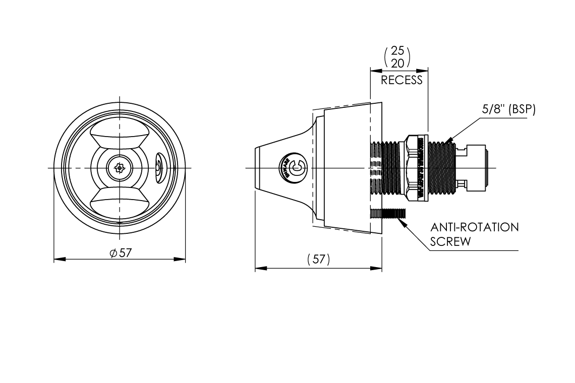
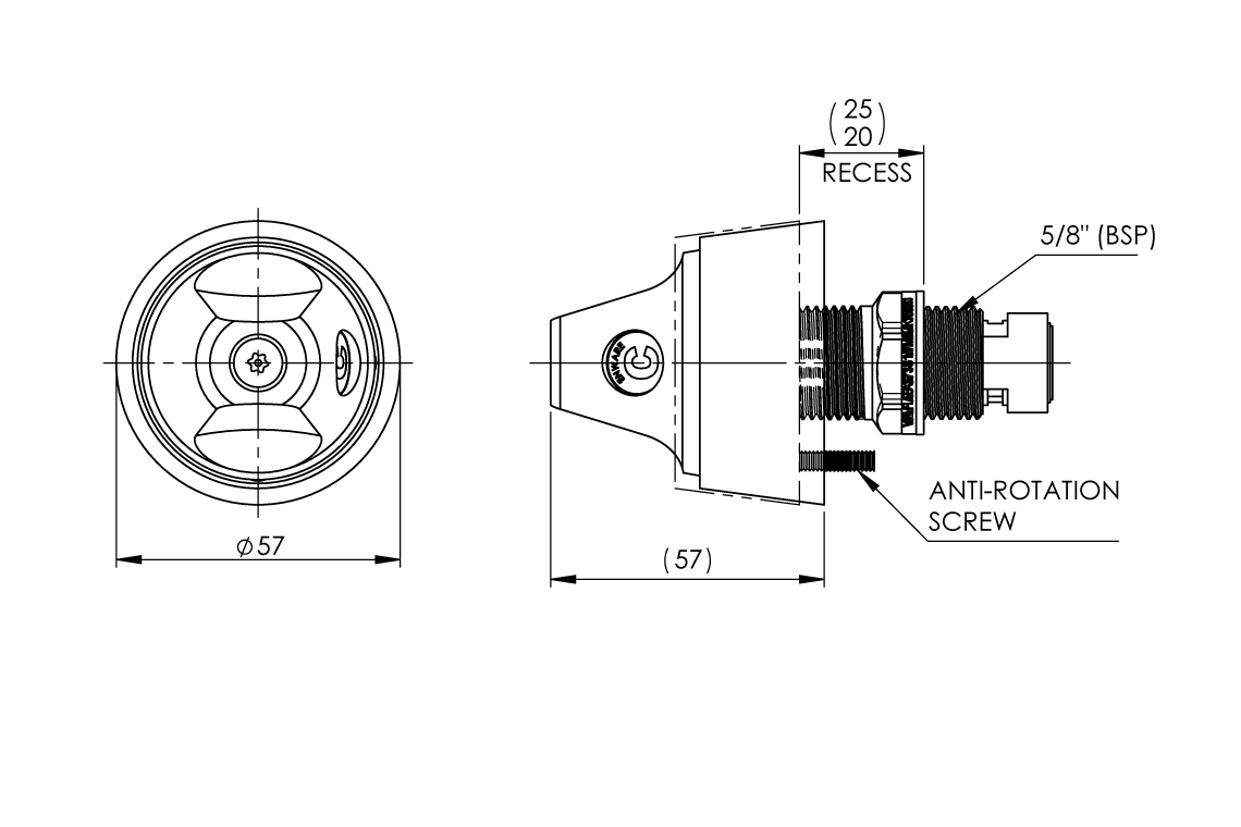
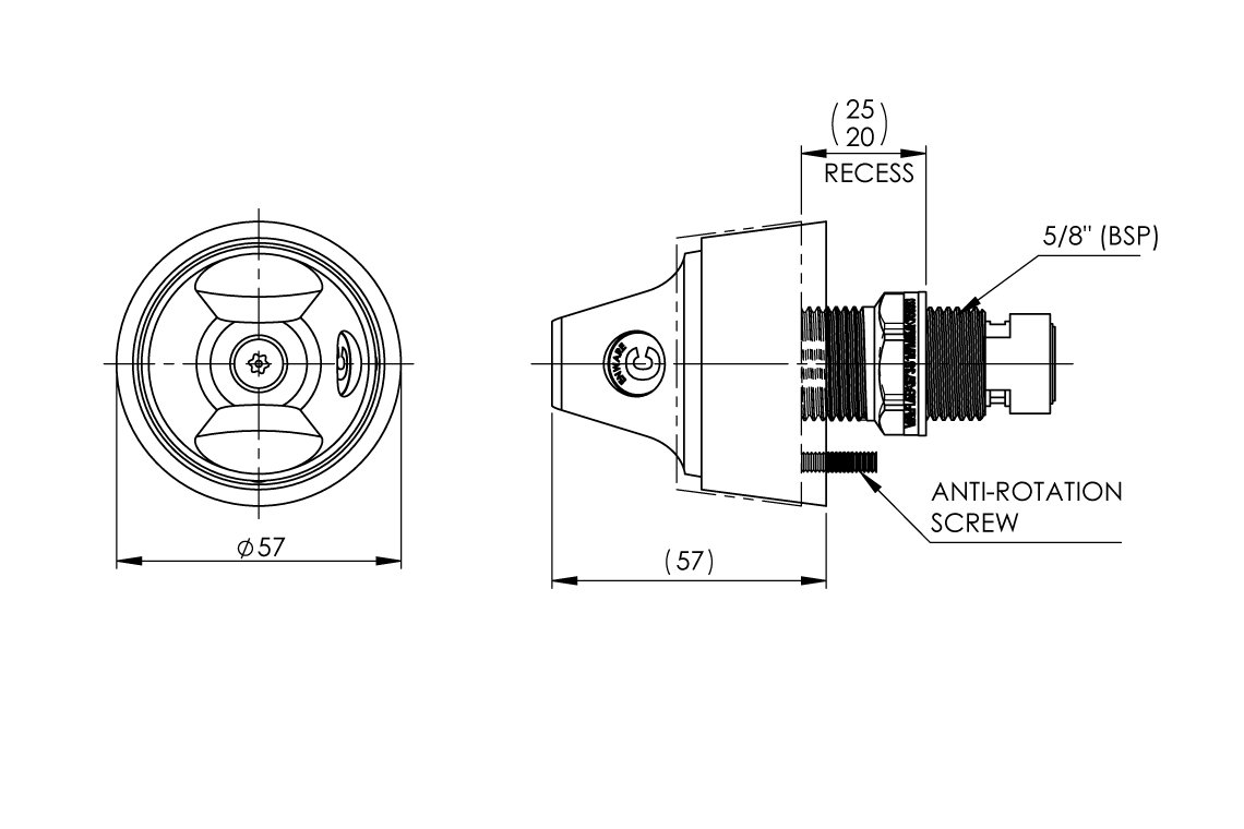
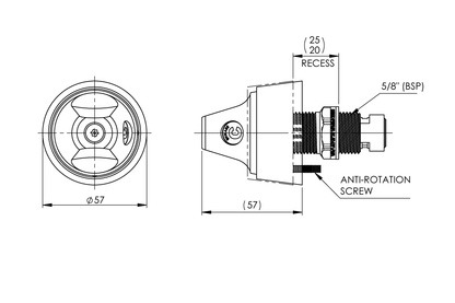
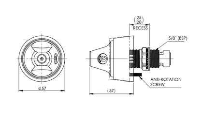
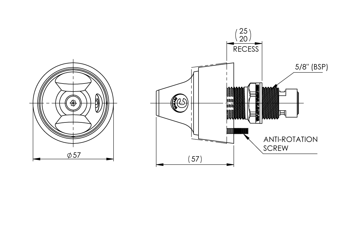
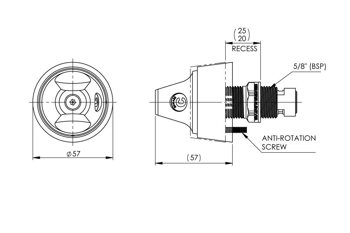
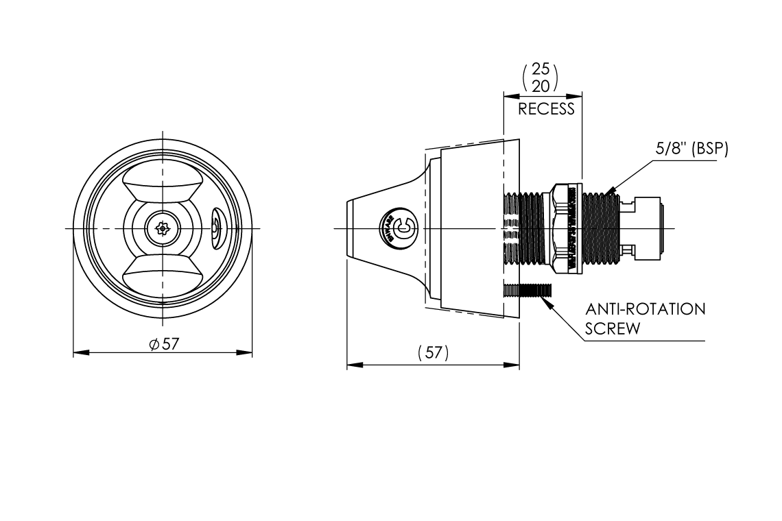
Secure Ligature Resistant: Recess Adaptor - 1/4 Turn Ceramic Disc - 15mm Extended
Secure Ligature Resistant: Recess Adaptor - 1/4 Turn Ceramic Disc - 15mm Extended
Product Code: DET608-15EXT
Couldn't load pickup availability
Product description
Enware's water efficient easy-to-use secure tapware products have been designed to provide a high level of security and vandal resistant features. They also provide smooth surfaces to remove ligature points and lessen the possibility of user harm .
Key Selling Points
- Ideal for all Secure bathroom environments where user comfort and safety is essential
- Secure conical handle provides comfortable grip point
- Utilises an easy to turn ceramic disc quarter turn valve
- Ligature resistant design
- Removal of sharp edges to reduce potential for user harm
- Identification buttons available in Cold, Warm or Hot to suit application
- Anti-rotation pin incorporated to inhibit tampering
- 15mm extended spindle to account for additional wall thickness
- High quality Lead Free brass construction
- Chrome plated finish
- Watermark: AS/NZS 3718 WMKA 1583
- Certifications
- WMKA1583,Lead Free
- Maximum Working Temperature (Deg C)
- 85
- Maximum Static Pressure (kPa)
- 800
- Minimum Recommended Pressure (kPa)
- 50
- Maximum Recommended Pressure (kPa)
- 500
- Finish
- Chrome
- Valve Type
- Ceramic Disc
BIM Files
Brochures
Dimensional Drawings
Product Information





