1
/
of
3
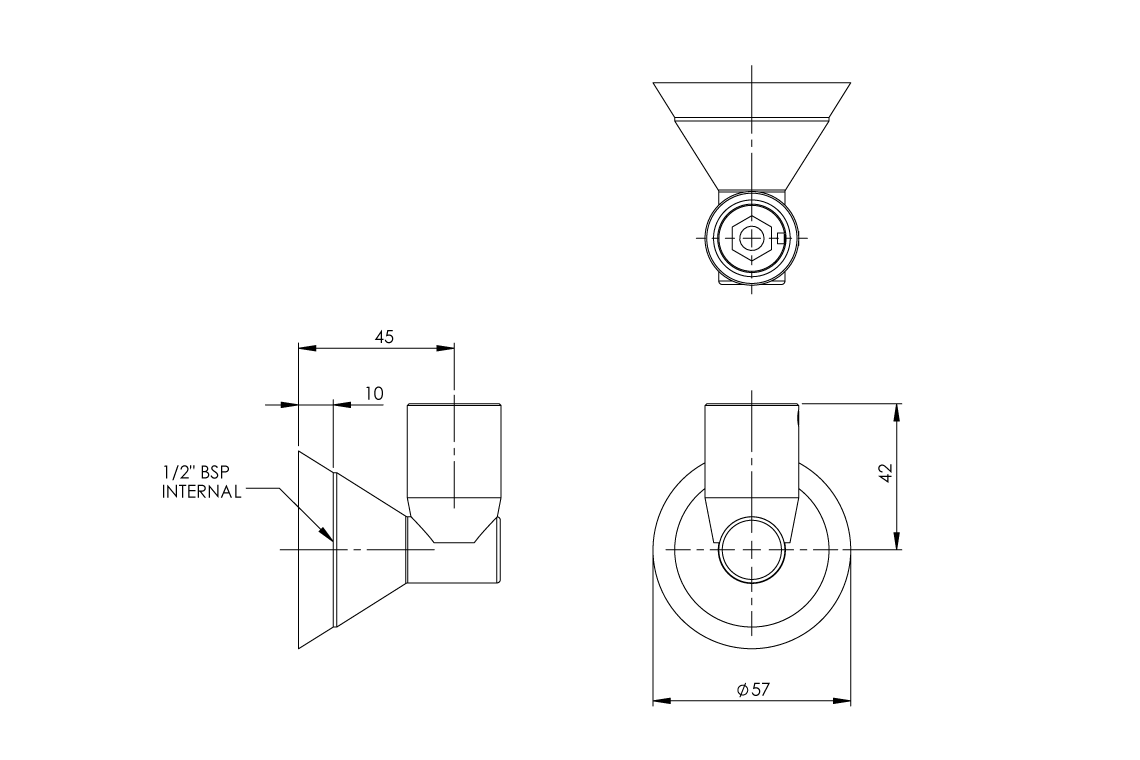
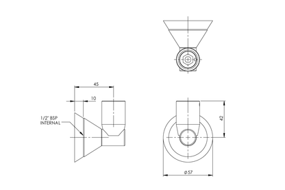
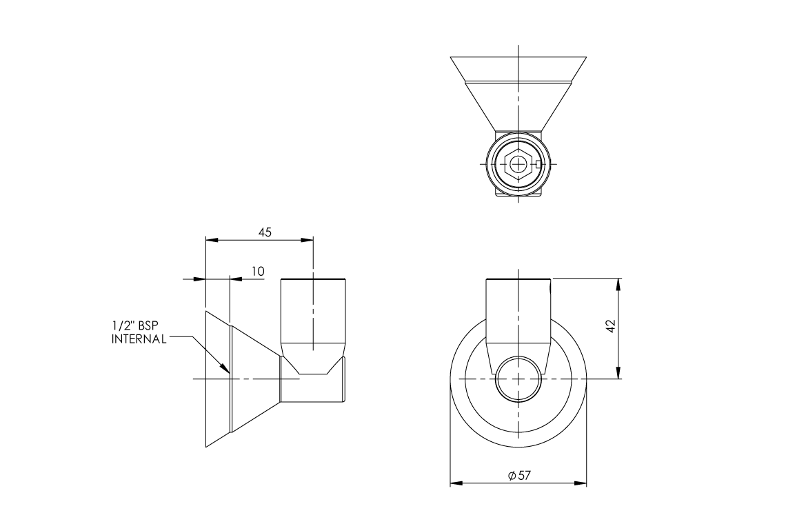
Wall Mounted Riser Base
Wall Mounted Riser Base
Product Code: FS020
Couldn't load pickup availability
Product description
Wall Mounted Riser Base
Key Selling Points
• Suitable for use with FS and SP series spouts or risers
- Certifications
- WMKA1583 - LF,Lead Free
- Connection Notes
- 1/2" BSP (15mm)
- Finish
- Chrome
BIM Files
Brochures
Dimensional Drawings
Product Information
