1
/
of
6
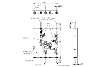
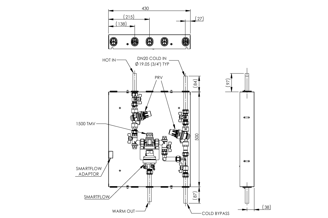
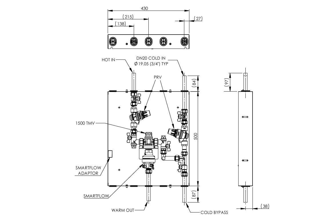
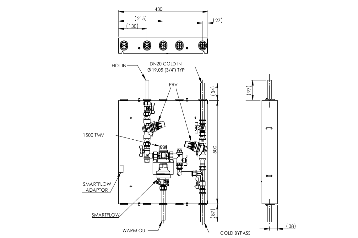
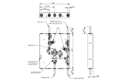
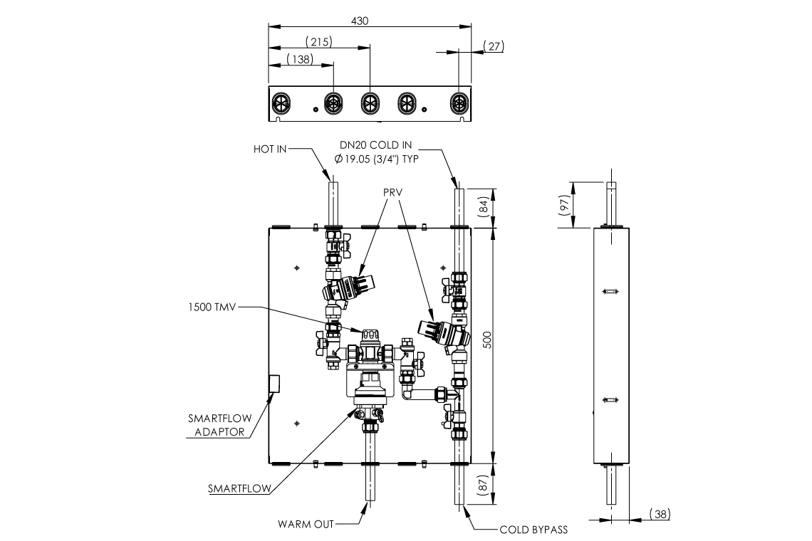
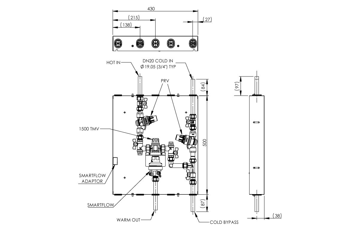
Aquablend 1500 TMV - Lift Lever Thermal Flush - in 430x500 SS Cabinet - HW/CW Inlets at Top. CW BYPASS/WW Pipes at Bottom and PRVs on inlets - Smartflow - No Lid
Aquablend 1500 TMV - Lift Lever Thermal Flush - in 430x500 SS Cabinet - HW/CW Inlets at Top. CW BYPASS/WW Pipes at Bottom and PRVs on inlets - Smartflow - No Lid
Product Code: ATMS718PRVSF-430
Couldn't load pickup availability
Product description
Aquablend 1500 Thermostatic Mixing Valve Pre-Plumbed in Stainless Steel Recess Wall Cabinet. The proven performance, reliability and low 'whole of life' cost makes Aquablend a popular choice with specifiers, engineers, plumbers and property owners. With the inclusion of the thermal flush feature, maintaining a healthy water service has never been easier. Suitable for health and general applications. NSW Health approval for use in healthcare in NSW.
Key Selling Points
- Lift Lever Thermal Flush activation incorporated within the headworks for faster, safer, more efficient thermal disinfection capability
- Manufactured from Lead Free brass components - including bypass fittings
- Scald and thermal shock protection with rapid thermal shut-off should either the cold or hot water supply fail
- Highly responsive temperature control, maintaining outlet temperature within +/- 2?C under changing inlet temperature and pressure conditions
- Delivers high flow at low pressure loss
- Supplied complete with isolating valves, non-return valves and dual stage strainers incorporating temperature/ pressure test ports
- Includes Watts 20mm PRV's to Hot and Cold Inlets. Adjustable set at 400kPa. Helps prevent excursion outside AS/NZS3500 pressure recommendations
- Hot and Cold Inlets through top of cabinet with Warm and Cold Bypass at bottom suits reticulated supply of Hot and Cold water at high level
- Straight-through Cold Water bypass provides cold water isolation valve for adjacent connected fixtures, within the cabinet space
- Pipework is designed to reduce flow restrictions and minimise bacterial capture points to reduce the risk of bacterial contamination
- Smartflow enabled with mixing chamber and probe for connection to Smartflow Warm Water Monitoring System
- Flexible installation - can be upside down or sideways, inlet and outlet connections may be rotated to suit pipework design
- Suitable stainless steel lid options available:
- ATMSHL-430 - Hinged Lid with wall flange
- ATMSSEC-430 - Secure/Heavy Duty Lid
- Standards licensed to AS4032.1 - Thermostatic Mixing Valves
- NSW Health Approved
- Certifications
- WMKA25301_AS4032.1_LF,Lead Free,Smart Flow Enabled
- Minimum Cold Temperature Supply (Deg C)
- 5
- Maximum Cold Temperature Supply (Deg C)
- 30
- Minimum Hot Temperature Supply (Deg C)
- 55
- Maximum Hot Temperature Supply (Deg C)
- 90
- Minimum Thermostatic Temperature (Deg C)
- 35
- Maximum Thermostatic Temperature (Deg C)
- 48
- Minimum Temperature Differential (Deg C)
- 10
- Maximum Flow Rate (L/min@200kPa pressure loss)
- 39
- Minimum Flow Rate for Stable Outlet Temperature (L/min)
- 4
- Minimum Flow Rate (L/min)
- 2
- Maximum Flow Rate (L/min)
- 45
- Inlet Connection
- 20mm(Nom.) OD Copper tails
- Outlet Connection
- 20mm(Nom.) OD Copper tails
- Valve Type
- TMV
BIM Files
Brochures
Dimensional Drawings
Product Information





