1
/
of
6
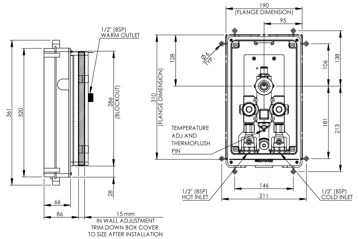
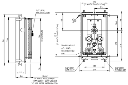
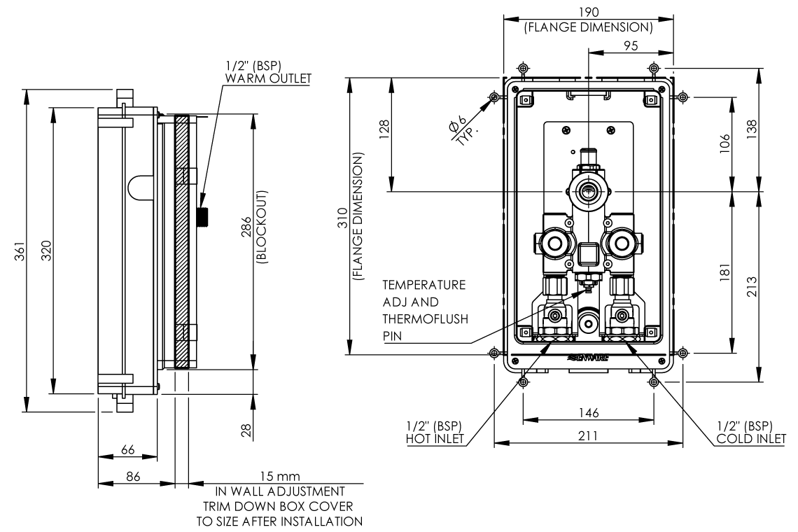
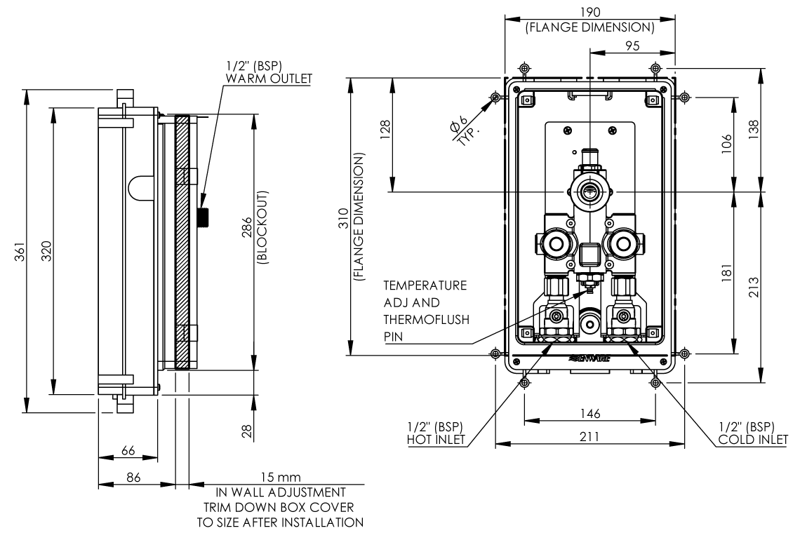
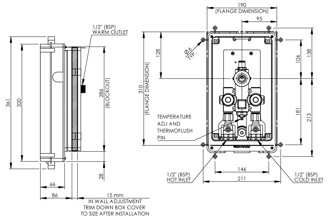
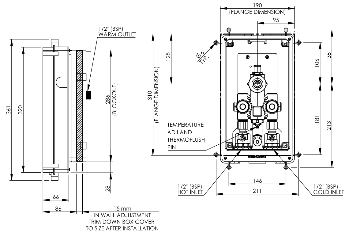
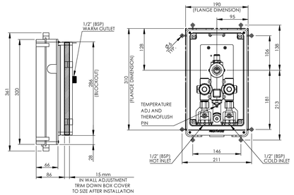
Aquablend eSQX LF Touch-Free Point-of-Use Thermostatic Wall Mixer Thermal Flush - Back of Wall Component - 9V Mains
Aquablend eSQX LF Touch-Free Point-of-Use Thermostatic Wall Mixer Thermal Flush - Back of Wall Component - 9V Mains
Product Code: ATM621L
Couldn't load pickup availability
Product description
Aquablend eSQX MK2 touch-free thermostatic mixer solution. suitable for Type A, Type B and all Commercial Basin applications. Designed and engineered in Australia to deliver pre-mixed warm water using advanced infrared touch free sensors for enhanced infection control and cross-contamination prevention.
Key Selling Points
- Integral TMV with adjustable temperature ensures ultimate user comfort
- Thermal Flush function for fast and efficient thermal disinfection
- Low voltage 9V mains power supply via transformer (4.5mtr cable length)
- Self draining copper lined spout for advanced anti-bacterial/legionella protection
- Advanced PSD low energy sensor technology with improved detection area and an extended range of App-based settings
- New low energy consumption solenoid valve with self cleaning membrane for extended lifetime
- Bluetooth connectivity allows on-the-spot adjustment of functionality parameters to suit user needs and preferences
- Sensor can be programmed on site for various functions:
maximum flow time, Intelligent After Flow, periodic flush, and sensor sensitivity (via App.) - Compatible with Smartflow Monitoring System for real-time 24/7 TMV monitoring and reporting
- Fast and easy installation in-wall cabinet
- Improved maintenance accessibility with integral isolation valves
- Back and front of wall components are ordered and supplied separately to meet construction needs
- Requires eSQX Front-of-Wall component
- Lead free brass
- WELS Notes
- Exempt from WELS as a Thermostatic Mixing Valve
- Certifications
- WMKA25301_AS4032.4_LF,Health Approved - NSW,Smart Flow Enabled,Lead Free
- Minimum Cold Temperature Supply (Deg C)
- 5
- Maximum Cold Temperature Supply (Deg C)
- 25
- Minimum Hot Temperature Supply (Deg C)
- 55
- Maximum Hot Temperature Supply (Deg C)
- 85
- Minimum Thermostatic Temperature (Deg C)
- 35
- Maximum Thermostatic Temperature (Deg C)
- 46
- Minimum Temperature Differential (Deg C)
- 10
- Maximum Static Pressure (kPa)
- 1000
- Minimum Flow Rate (L/min)
- 2
- Inlet Connection
- 1/2" BSP
- Valve Type
- TMV
BIM Files
Brochures
Dimensional Drawings
Product Information
