Skip to product information
1 of 2

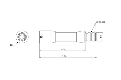
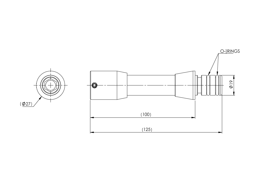
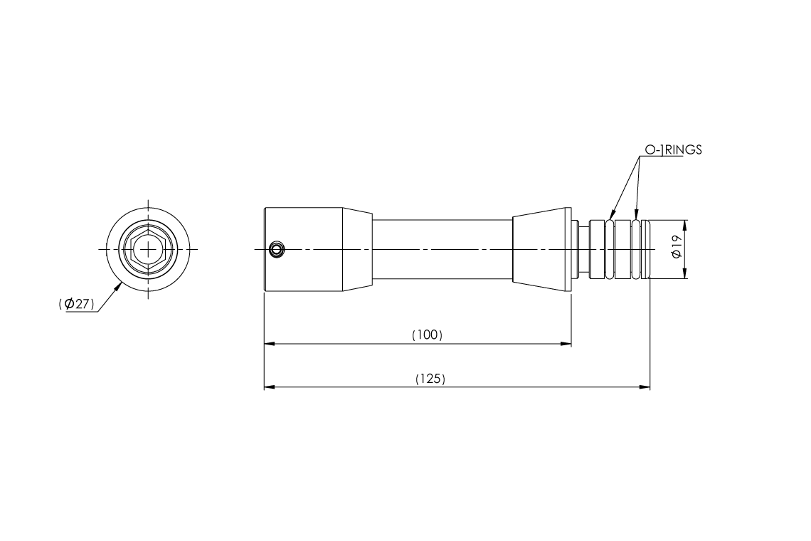
Riser - 100mm

Riser - 100mm

Product Code: FS051

Product description

Riser - 100mm

BIM Files

    Brochures

      Dimensional Drawings

      Product Information

      View full details