Complete Solutions
Smart Flow Water Management System (Corrections)
Smart Flow Water Management System (Corrections)
-

PSU 12V2A SUIT 12V LAN INTERFACE
Product codes: SFM5300
-
WMS CUSTODIAN HUB AND POWER SUPPLY
Product codes: WMS-CNHUB
-
PSU WMS CUSTODIAN 12V3A
Product codes: WMS-CNPSU
-

Custodian Single Cell Cable Package
Product codes: WMS8004
-

Custodian: Shower Rose - Ceiling Mounted
Product codes: CNSHRS-FC
-

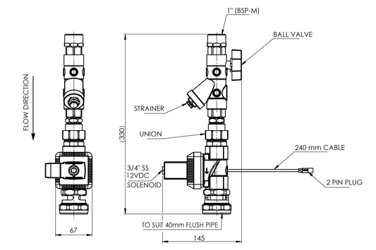
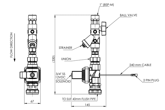
Custodian: WC Flush Valve Assembly - 20mm 12 VDC
Product codes: WMS8312
-

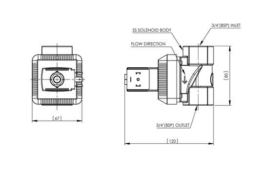
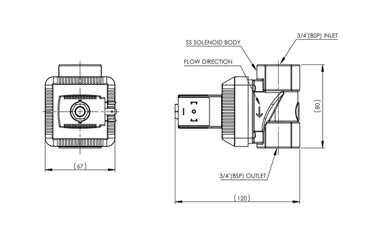
Solenoid 20mm 316 SS 12VDC Flushing - Suit Custodian
Product codes: WMS8312VALVE
-

Single Solenoid In-Wall H & C Mixer and Bracket for Front Panel
Product codes: WMS182MIX
-
Single Piezo SS Shower Mixer Panel- For WMS
Product codes: WMS182SHR
-
Smart Flow WMS System As Per Support Doc
Product codes: WMS7000
-

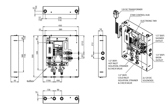
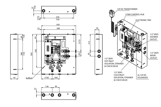
Custodian Smart Board in 430 x 500 Lockable SS Wall Cabinet
Product codes: WMSSB001R-430






